DEA Evidence Drop Safe, Deposit for Narcotic Baggies, Prescription Bottles, Syringes & More
High Security Depository Safe for Evidence Drop
Designed for:
- DEA Field Office Division Operations & Confiscated items related to Law Enforcement Divisions
- Deposit Evidence
- Rotary / Through the wall drop into a high security locked safe
- Available with B Rated Plate Safe or TL-15 Safe
- Free Standing & Through The Wall
- Can be customized to your specific requirements
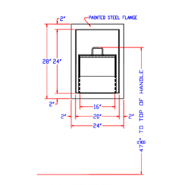
Exterior housing unit 24"h x 20"w x 26"d w/ handle and magnetic catch
Rotary Deposit Drop Opening: 8" x 16" rotary hopper.
Installation: Through the wall depository for evidence and other items
Lock: Group II Combination Lock or Group 1R
Additional locks available upon request
Safe Dimensions:
Interior drop safe is B rated security with the following specs: 27"h x 20"w x 24"d
Also available as a TL-15 Rated interior safe
Specifically designed to meet certain DEA requirements for the secure drop off of medical devices, syringes & materials related to administration of controlled substances and narcotics that may fall under the Schedule III, IV and V requirements and/or where local DEA jurisdiction allows, Schedule I or II.
* NOTE:
Clients with the intent to deposit or drop Schedule I and Schedule II Narcotics syringes, narcotics baggies or prescription bottles should seek approval from your local DEA field operations office prior to ordering. We advise all clients to have a clear direction of security requirements for local compliance from their local DEA Field office or Law Enforcement Division prior to ordering.
Details
Additional Information
| Brand | No |
|---|
